销售热线
技术热线:0576-85183757
销售电话:0576-85182037
技术电话:0576-85183757
传真号码:0576-85182843
联系邮箱:haihong@cn-hydraulic.com
公司地址:浙江省临海市江南街道金岭路199号
产品特点
对不同的执行元件分配流量时,流量与其需求成比例,与泵的饱和状态和负载压力无关(LUDV);
与变量泵配套使用,当多路阀处于中位时,通过LS口压力反馈,使变量泵斜盘角度最小,油液低压小流量卸荷,节能效果良好。
闭芯,用于变量泵,通过LS溢流阀来限定多路阀的最高压力;
每一联换向片的流量可调,只需一个变量泵即可满足所有作业功能;
应用领域
主要应用于装载机、平地机等其它工程机械。
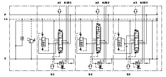
液压原理图
技术参数(对超出下述参数的应用场合,请与我公司联系)
|
概述 |
|
|
结构 |
整体式 |
|
安装方式 |
见外形图 |
|
油口连接方式 |
螺纹 |
|
通径 mm |
15 |
|
液压 |
|
|
P口最高压力 |
350 |
|
A、B口最高压力bar |
420 |
|
a、b口最高压力bar |
30 |
|
允许最大回油背压bar |
15 |
|
主安全阀压力bar |
100~350 |
|
二次溢流阀压力bar |
150~290 |
|
流量 L/min |
120(每片最大) |
|
液压油温度范围℃ |
-20~+100 |
|
粘度范围m2/s |
10~460 |
|
油液允许的污染等级 |
-/19/16 (ISO4406:1999) |
|
机械 |
|
|
重量 kg |
约44.4 |
产品外形图
| 油口 | P、T | A、B | LS、a、b |
| 尺寸 | G1” | G3/4” | G1/4” |
相关产品
销售热线:0576-85182037
友情链接: 多路阀系列 先导阀系列 制动阀系列 操纵阀系列 农机阀系列 转向阀系列 Sitemap TXT Sitemap XML 网站地图

微信官网

手机官网